气动门的开关到位信号不能正常动作
2023-09-07 云博体育在线注册,云博体育(中国)
#6炉L1吹灰器行进中断电分析
空分系统中塔器设备故障及维护方法
2023-09-06 云博体育在线注册,云博体育(中国)
机组启动过程中励磁未建压原因分析
流量检测方法与仪表-差压式流量计
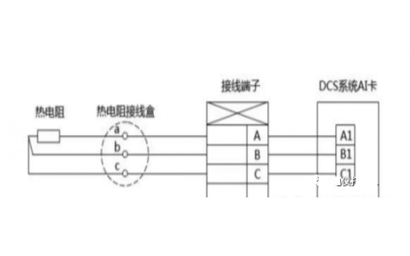
温度显示波动检修案例PT100
2023-09-05 云博体育在线注册,云博体育(中国)
锅炉汽包水位测量知识分享
GIS设备投运检查及设备巡视要求
2023-09-04 云博体育在线注册,云博体育(中国)