滤油机智能压力控制器设置?
2023-04-03 云博体育在线注册,云博体育(中国)
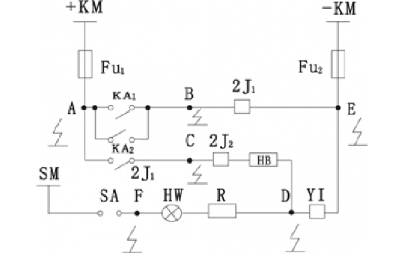
直流系统接地的处理方法知识分享
锅炉各项热损失?
2023-03-31 云博体育在线注册,云博体育(中国)
如何规划摄像头监控点位?
板式滤油机设备功能及工作原理!
2023-03-30 云博体育在线注册,云博体育(中国)
法兰电加热器知识介绍分享
2023-03-30 231
干烧加热管可以用法兰加热管吗?
现场临电变压器容量选择、配电系统设计、电缆选型以及配电箱设计
2023-03-29 云博体育在线注册,云博体育(中国)