一种允许错误动作的继电保护-广东云博体育在线注册,云博体育(中国)
2022-09-13 云博体育在线注册,云博体育(中国)
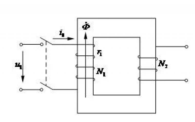
变压器励磁电流大小是否可以控制
2022-07-26 云博体育在线注册,云博体育(中国)电气